The FmtS is a robust high precision force transducer. The FmtS is manufactured with an “epoxy bonding” process.
Typical applications for the FmtS range from computer labs, industrial equipment, remotely piloted vehicles, payload control, and military equipment such as computer-based training systems. The rugged design means that they will provide reliable service for extended periods, backed by a two-year warranty.
The FmtS produces an output based on the force applied in either the lateral or longitudinal axis.
The FmtS is also available with a pushbutton feature making it ideal for cursor control and target designation. These are available in the epoxy version with p/n FmtS-PB-xxx
Key Features
Mechanical
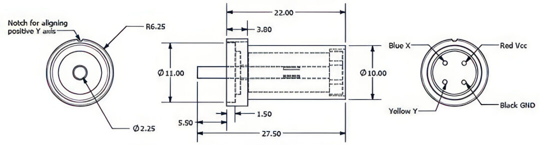
The external casing is stainless steel. The output shaft is a 2.2mm hardened stainless steel onto which a variety of knobs can be mounted.
Electrical
The force applied to the transducer is measured by silicon strain gauges mounted as a bridge. It provides output voltage through a signal conditioning amplifier. The centering repeatability error is less than 0.5%.
Reliability
With no moving parts, the life of the mechanical system has no limit when mounted and used correctly.
Knobs
The standard is a hat-style anodized aluminum knob. See the options tab for details.
Warranty
The FmtS transducers carry a 2-year warranty.
Technical & Environmental
Electrical
Vcc
Output
Center Voltage
Output Current
Supply Current
Sensitivity
Power Dissipation
Null Temperature Coeff
Resistance
Resolution
Linearity at 25°C
5.00 vDC (12 vDC Max)
38% – 62% Vcc (+/- 2%)
50% Vcc (+/- 1.0%)
10 mA (at 5.00 vDC)
15 mA (at 5.00 vDC)
0.05 V/N @ 5.00 vDC +/- 10%
0.06 mW (at 5.00 vDC)
+/- 0.0003 V/C (at 5.00 vDC)
400 Ohm +/- 40 Ohm
Infinite
< 1.5 %
Physical
Weight
Length
Below Panel
Diameter
Shaft Diameter
Activation Force
0.11 g
27.5 mm
18.2 mm
12.5 mm
10.0 mm
+/- 6 lb in each axis max
Environmental
Operating Temperature
Storage Temperature
Operating Humidity
-70° C to 80° C
-70° C to 90° C
95% Rh at 40° C
Wiring
Color
Red
Black
Blue
Yellow
Function
Vcc (+ve supply)
GND (-ve supply)
X Axis (+ right)
Y Axis (+ up)
FmtS Installation
Knob Options
Small Hat -015
Max Diameter: 14.0 mm
Height: 11.7 mm
Depth: 6.0 mm
Inverted Hat -022
Max Diameter: 19.0 mm
Height: 11.0 mm
Depth: 2.8 mm
Stadium Low -017
Max Diameter: 19.0 mm
Height: 11.1 mm
Depth: 2.4 mm
Stadium High -007
Max Diameter: 19.0 mm
Height: 11.1 mm
Depth: 3.0 mm
Stadium Flat -012
Max Diameter: 24.0 mm
Height: 9.4 mm
Depth: 1.0 mm
Inverted Hat Wide -044
Max Diameter: 21.05 mm
Height: 8.95 mm
Depth: 4.0 mm










